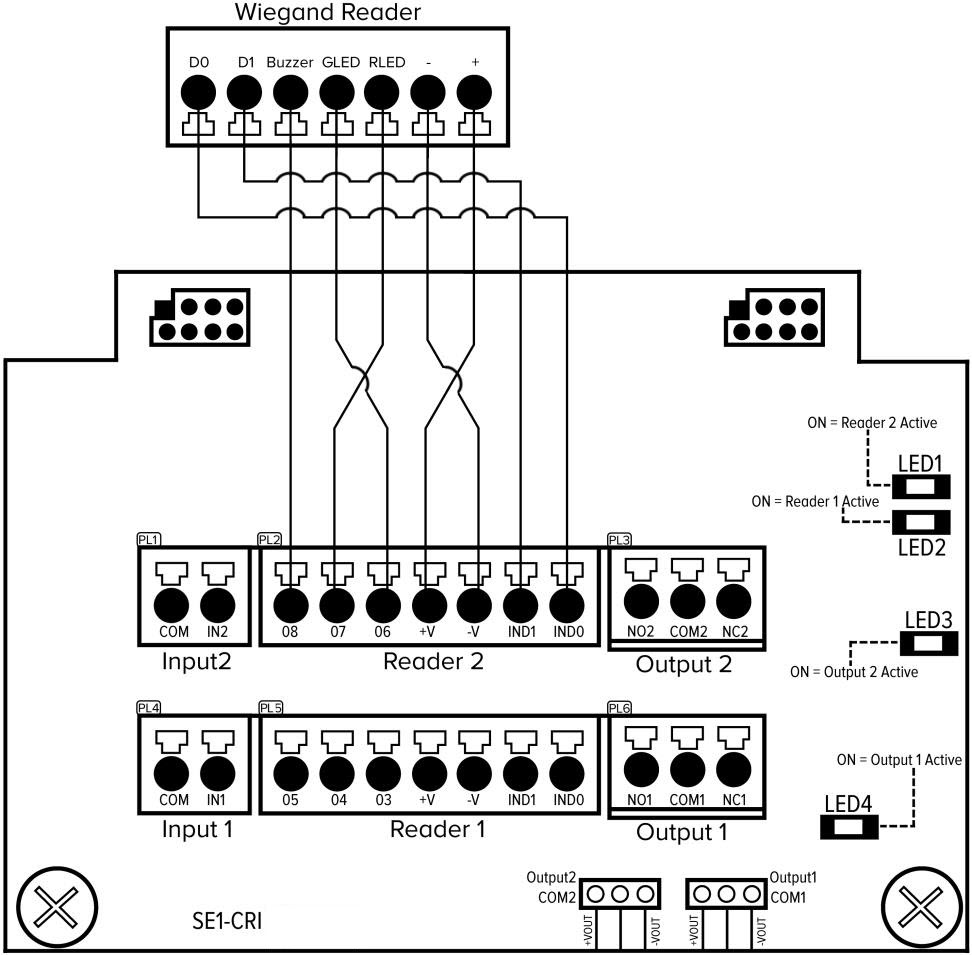
Connections
|
Function |
Connection |
Default value |
Range |
Indicator |
|---|---|---|---|---|
|
Label #A Expansion plug |
||||
|
Connects to the S1000 Controller |
Any available expansion slot |
|
|
|
|
Label #B End-of-line (EOL) monitored and analog inputs 2 (PL1) |
||||
|
EOL monitored input 1 |
IN2 and COM (PL1, 1 and 2) |
10K |
1K to 50K |
|
|
Analog input 1 |
IN2 and COM (PL1, 1 and 2) |
|
0VDC to 10VDC |
|
|
Label #C Reader 2 connection (PL2) |
||||
|
EOL monitored input 1 |
IND0 (PL2, 1) |
10K |
1K to 50K |
|
|
Analog input 1 |
IND0 (PL2, 1) |
|
0VDC to 10VDC |
|
|
EOL monitored input 2 |
IND1 (PL2, 2) |
10K |
1K to 50K |
|
|
Analog input 2 |
IND1 (PL2, 2) |
|
0VDC to 10VDC |
|
|
Voltage output |
-V (PL2, 3) |
|
0V |
|
|
Voltage output |
+V (PL2, 4) |
|
0.5A at 10VDC to 16VDC |
|
|
O/C output 6 |
O6 (PL2, 5) |
|
0mA to 100mA |
|
|
O/C output 7 |
O7 (PL2, 6) |
|
0mA to 100mA |
|
|
O/C output 8 |
O8 (PL2, 7) |
|
0mA to 100mA |
|
|
Label #D |
||||
|
Relay outputs 2 (PL3) |
OUT1 (PL3, 1-NC2, 2-COM2 and 3-NO2) |
|
1A at 24VDC |
LED3 |
|
Label #E End-of-line (EOL) monitored and analog inputs 2 (PL4) |
||||
|
EOL monitored input 2 |
IN1 and COM (PL4, 1 and 2) |
10K |
1K to 50K |
|
|
Analog input 2 |
IN1 and COM (PL4, 1 and 2) |
|
0VDC to 10VDC |
|
|
Label #F Reader 1 connection (PL5) |
||||
|
EOL monitored input 1 |
IND0 (PL5, 1) |
10K |
1K to 50K |
|
|
Analog input 1 |
IND0 (PL5, 1) |
|
0VDC to 10VDC |
|
|
EOL monitored input 2 |
IND1 (PL5, 2) |
10K |
1K to 50K |
|
|
Analog input 2 |
IND1 (PL5, 2) |
|
0VDC to 10VDC |
|
|
Voltage output |
-V (PL2, 3) |
|
0V |
|
|
Voltage output |
+V (PL2, 4) |
|
0.5A at 10VDC to 16VDC |
|
|
O/C output 6 |
O3 (PL2, 5) |
|
0mA to 100mA |
|
|
O/C output 7 |
O4 (PL2, 6) |
|
0mA to 100mA |
|
|
O/C output 8 |
O5 (PL2, 7) |
|
0mA to 100mA |
|
|
Label #G |
||||
|
Relay outputs 1 (PL6) |
OUT1 (PL6, 1-NC1, 2-COM1 and 3-NO1) |
|
1A at 24VDC |
LED4 |

