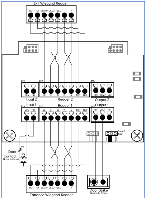
One door
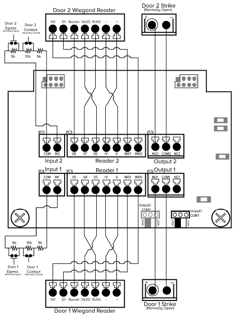
Two doors
See Also
Specifications
Device Functions
© 2026 Sonitrol
All rights reserved. Information is subject to change without notice.
Documentation Reference SONCORE_12_2-UG-EN-1_0 created February 2026 applies to SONITROL CORE v12.2