Wiring
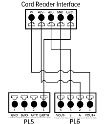
Use the Card Reader Interface Board with the S1000 Controller to control doors. Wiring can use the connection pairs PL4-PL5 or PL5-PL6 using standard connections.
|
RS485: PL4 and PL5 connection |
RS485: PL5 and PL6 connection |
Each input on the Card Reader Interface Board can be configured for multiple functions, such as door contact, egress and break glass.
|
1 door One door mode means that cards will work for Reader 1 and Reader 2 and activate a strike as one door at output 1. |
2 door Two door mode means each reader is installed on a door and uses the strike of output 1 for door Reader 1 and strike output 2 for door Reader 2. |










